フォローする:

製品
32A 正逆制御ロータリー スイッチ
  • 32A 正逆制御ロータリー スイッチ32A 正逆制御ロータリー スイッチ
  • 32A 正逆制御ロータリー スイッチ32A 正逆制御ロータリー スイッチ
  • 32A 正逆制御ロータリー スイッチ32A 正逆制御ロータリー スイッチ

32A 正逆制御ロータリー スイッチ

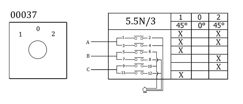
30年以上の経験を持つプロの電気スイッチメーカーとして、YAMINGは精巧な職人技と最先端の技術で作られた高性能回路制御ソリューションである32A正逆制御ロータリースイッチ(内部モデル:YMW26-32 5.5N/3)を発売します。この 3 ポジション ロータリー スイッチは、AC 50HZ/≤690V および DC ≤240V の回路に適用でき、手動非周波回路変換、小型 AC モーターの直接制御、コマンド制御および回路テストをサポートします。

YAMING 32A 正逆制御ロータリー スイッチは、AC 50HZ/≤690V および DC ≤240V 回路用に特別に設計された高信頼性の 3 ポジション切り替えスイッチで、最大電流支持容量は 32A です。そのコア機能には、手動非周波回路変換の実現、小型 AC モーターの直接制御、コマンド制御および回路テストのシナリオへの適用が含まれます。


電気制御システムの重要なコンポーネントとして、さまざまな電気機器の安定した信頼性の高い動作を効果的に保証します。コンパクトなサイズ、多機能の統合、堅牢な構造、信頼性の高い動作が特徴で、さまざまな作業環境への高い適応性を備えています。中国の信頼できるサプライヤーとして、YAMING はこのスイッチにさまざまなアプリケーションのニーズを満たすカスタマイズ可能なオプションを提供し、回路制御、テスト装置、モーター制御システムの中核コンポーネントとなっています。


製品の主な機能


・コンパクトな構造で柔軟な設置が可能:スイッチはコンパクトな設計を採用しており、限られた設置スペースでも柔軟に配置でき、機器内部スペースの利用率が大幅に向上します。


- 多機能統合: 複数の制御機能を統合して、さまざまなアプリケーションシナリオの多様な制御ニーズに対応し、1 つのスイッチで複数の目的を実現し、システム構成の複雑さを軽減します。


- 優れた安全性能:堅牢な構造と高品質の素材で構築されたスイッチは、優れた絶縁性能を備えており、使用中の電気的安全性を効果的に確保し、潜在的な安全上の危険を軽減します。


- 安定した信頼性の高い動作:回転機構はスムーズに動作し、故障率が低く、信頼性が高いため、長期間の使用でも安定した性能を維持できます。


- スタイリッシュで実用的なデザイン:外観デザインはスタイリッシュかつ機能的で、さまざまな機器の美的スタイルによくマッチし、機器の全体的な質感を向上させることができます。



製品の用途


YAMING 32A 正逆制御ロータリー スイッチには、さまざまな使用シナリオに合わせて調整できる包括的な分類システムがあり、その主な用途と分類の詳細は次のとおりです。


1.主な応用分野

主回路スイッチング、直接ACモーター制御、コマンド制御、回路測定シナリオで広く使用されており、回路制御システム、試験装置、モーター制御システムの重要なコアコンポーネントです。


2.分類内容

- 動作モード: さまざまな動作要件に適応するために、位置決め、自己リセット、および位置決め - 自己リセット モードが含まれます。


- 変換角度: さまざまな機械的トランスミッションのニーズに合わせて、オプションの 30°、45°、60°、90° の変換角度を選択できます。


- パネル形状: 正方形と長方形のパネル形状があり、さまざまな機器の設置インターフェイスに適しています。


- カスタマイズ可能なレイヤー: スイッチは 1 ~ 12 レイヤーのカスタマイズをサポートし、特定の制御システム要件に応じてカスタマイズされた構成を可能にします。


注: 製品には、迅速かつ正確な取り付けと使用を容易にする詳細な配線図が付属しています。

そして、この 32A ロータリー カム スイッチはカスタマイズできます (1 層から 12 層まで)。



労働条件


YAMING 32A 正逆制御ロータリー スイッチは、優れた環境適応性を備えており、次の通常の作業条件下で確実に動作します。


- 温度範囲: -25℃~+50℃の温度範囲で、24時間以内の平均温度が+35℃を超えない環境での使用に適しています。


- 設置高度: 標高 4000m 以下で設置可能で、さまざまな地理的環境要件に適応します。


- 相対湿度: 最大相対湿度は、+50℃で 50%、+20℃で 90% です。温度変化による湿気の蓄積に対して、YAMING はスイッチの安定した動作を保証する特別な結露防止ソリューションを提供します。


協力のメリット


YAMINGは豊富な経験を持つ専門工場として、品質第一の概念を堅持し、高品質の32A正逆制御ロータリースイッチ製品をお客様に提供しています。中国の信頼できるサプライヤーとして、当社は製品の性能と品質を保証するだけでなく、思慮深いアフターサービスとカスタマイズされたソリューションを提供し、世界中の顧客にとってより大きな価値を創造することに尽力しています。


技術的パラメータ

製品外形寸法 取付寸法



ホットタグ: 32A 正逆制御ロータリー スイッチ メーカー、中国、サプライヤー、工場
お問い合わせを送信
連絡先情報
お見積りやご協力に関するお問い合わせは、メールまたは下記お問い合わせフォームよりお気軽にどうぞ。弊社営業担当より24時間以内にご連絡させていただきます。
X
当社は Cookie を使用して、より良いブラウジング体験を提供し、サイトのトラフィックを分析し、コンテンツをパーソナライズします。このサイトを使用すると、Cookie の使用に同意したことになります。 プライバシーポリシー
拒否する 受け入れる